奥林巴斯清洁度分析工作原理

今天,我们将探讨如何区分反光(被视为金属)颗粒与非反光颗粒(被视为非金属)颗粒,以及如何识别纤维(非污染物颗粒)。我们将通过以下几个步骤,将反光和非反光颗粒区分以及纤维识别引入整个技术清洁度检测过程:
清洁度检测步骤
准备阶段:
提取
过滤
干燥和称重
检测阶段:
图像采集
颗粒检测
粒度测量和分类
颗粒计数推算和归一化
污染等级计算
清洁度代码定义
*大批准值检查
区分反光和非反光颗粒
纤维识别
结果审查
报告

区分反光和非反光颗粒
金属颗粒较硬,因此相较于非金属颗粒,前者有可能造成更严重的损坏。
金属和非金属颗粒是通过其反射的入射光进行区分的。滤膜和非金属颗粒上的入射光仅会发生漫反射。不论入射光如何,“反射”的光线都不会发生偏振。即使入射光发生偏振,在相机成像时也分析不到偏振效应。滤膜始终比其上的颗粒更明亮。
入射光照射到金属颗粒时,我们能够观察到真实的反射。(金属表面的此种光线反射不会改变光的偏振。)可通过一种传统的清洁度检测方法展现这种差异。可在相机上分析反射光的偏振——当起偏镜和检偏镜设置为平行位置时,金属颗粒会变得非常明亮。
传统的金属颗粒检测方法需要采集两幅图像。第一幅图像检测出所有颗粒,第二幅图像高亮显示金属颗粒。检偏镜必须在采集第二幅图像前旋转 90°。该步骤非常耗时,并且需要对两幅图像进行特殊调节和校准。

带有检测出的所有颗粒并显示为较暗图像的滤膜。

带有显示为较亮图像的金属颗粒的滤膜。
**的一次成像过程
奥林巴斯推出的CIX 技术清洁度检测系统采用创新方法,仅需一次扫描即可完成数据采集。在此**方法中,入射光束发生偏振。我们使用延迟色板改变偏振光光谱的一个波段;因此,入射光的颜色不同时,偏振也会不同。
滤膜上非金属颗粒的漫反射与传统方法中观察到的情况相同。反射光在所有颜色范围内均不发生偏振,因此不需要进行分析。滤膜比其上的深色颗粒更明亮。

使用奥林巴斯 CIX 技术清洁度检测系统观察到的非金属颗粒漫反射。
通过经典原理,还会产生真正的金属颗粒反射光,并保留光的偏振。但是,由于每种颜色的光的偏振是已知的,因此能够在彩色图像中直接检测出金属颗粒——金属颗粒仅会在某种特定的颜色下变得明亮。

使用奥林巴斯 CIX 技术清洁度检测系统观察到的金属颗粒真实反射。
使用 CIX 系统,仅需一张彩色图像,就能够区分反光(金属)和非反光(非金属)颗粒。无需进行第二次图像采集和旋转检偏镜。此种**方法具有显著的时间优势,并且无需移动和旋转任何机械部件,因此可采用稳固的结构设计。
纤维识别
颗粒是从样品表面洗掉的杂质。然而,纤维的来源往往不同——例如工作服、抹布、或者实验室中的灰尘。织物纤维通常不会对技术部件的功能产生重要影响。因此,在评估清洁度检测时,应该另行识别和计数。
纤维具有细长的形状。长度与宽度之比被称为纤维度,其必须处于 10:1 至 20:1 的范围之内(取决于所采用的标准)。这意味着,纤维必须显著拉长(相较于其他纤维测量,例如石棉检测,在该项检测中,每根纤维都像针一样呈直线状,但是其纤维度只有 3:1)。

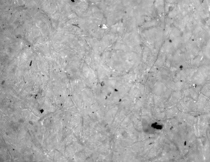
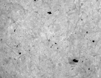
滤膜上细长的可见纤维。
滤膜上的纤维可能不会呈直线状,而是呈卷曲状。因此,*大卡尺直径测量无法提供准确的纤维长度测量结果。在第一次估算中,纤维长度可计算为其面积与其*大内径之比。如果假设纤维在整个长度上的宽度相同,则可以采用此方法。

左:卷曲的纤维及其*大卡尺直径测量。
右:纤维的*大内径。
在测量纤维的面积后,对纤维长度进行更精确的测量,然后计算展开后的纤维长度。这一步骤非常耗时,因此无法对所有检测出的纤维执行此项操作。

展开的纤维长度。
我们通过探讨如何区分反光(被视为金属)颗粒与非反光颗粒(被视为非金属)颗粒,以及如何识别纤维(非污染物颗粒),进一步认识了清洁度检测。接下来我们准备检查获得的结果并创建数据报告。后期将为大家呈上,敬请期待!
——奥林巴斯显微系统解决方案——
为您提供工业显微镜、生物显微镜、倒置显微镜、体视显微镜、成像系统、分析软件等设备及附件。
免费热线电话:021-51602084
官网网址:www.pooher.cn
邮箱:info@pooher.cn